400-7073889
风叶运输半挂车
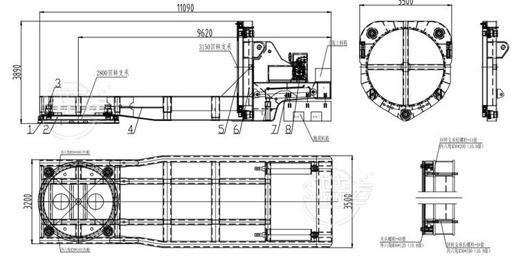
叶片上山工装
大件运输车
多轴线特种运输半挂车
联系人:神骏销售部
手 机:13020688888
邮 箱:sdshenjun@163.com
公 司:山东神骏车辆制造有限公司
地 址:山东省梁山县拳铺工业园区